CQ9(电子中国)官方网站-科技领航者

【应用】国产光耦隔离驱动SLM343助力20kW光伏逆变器设计CMTI高达150kVus_CQ9电子中国官方网站
CQ9电子中国官方网站-功率器件制造专家,高新技术企业,服务全球市场。

【应用】国产光耦隔离驱动SLM343助力20kW光伏逆变器设计CMTI高达150kVus

作者:小编    发布时间:2025-09-01 12:14:21    浏览量:

  随着光伏发电在我国的快速发展,组串式光伏逆变器主要有两大应用分类即商用和户用,商用则是大型地面及各类组串式与扶贫场景商用型逆变器单体功率一般大于30kW,户用则更适用于各类组串式式低压并网场景户用型逆变器单体功率一般在2到20kW。

  主流光伏逆变器是由前级Bosst升压电路+T/ I型三电平逆变功率单元构成,而功率单元的开关管是通过驱动芯片来驱动MOS/IGBT的开通关断,因此驱动电路在光伏逆变器系统中至关重要,为了保证20kW光伏逆变器Boost升压部分和逆变单元的IGBT驱动的可靠性,在设计IGBT驱动时需要一款隔离驱动芯片来对控制单元发出的驱动信号进行隔离保护。

【应用】国产光耦隔离驱动SLM343助力20kW光伏逆变器设计CMTI高达150kVus(图1)

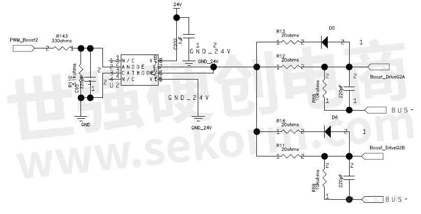
  如上图1为20kW光伏逆变器系统框图,MPPT为一路输入,BOOST升压部分采用2个IGBT并联,因此只需采用一颗驱动电流较大的驱动芯片即可,而后级逆变单元每一相需要单独的4颗驱动芯片,由于系统具有高压强电、信号弱电部分,因此需要进行强电和弱电信号电路进行隔离,本文重点介绍数明半导体基于独特电容隔离技术推出的,该驱动芯片在封装和功能上与传统的光耦驱动器兼容,但性能和可靠性更加出色,如下图2采用数明SLM343设计的驱动电路。

【应用】国产光耦隔离驱动SLM343助力20kW光伏逆变器设计CMTI高达150kVus(图2)

【应用】国产光耦隔离驱动SLM343助力20kW光伏逆变器设计CMTI高达150kVus(图3)

  本设计采用数明半导体的光耦隔离驱动SLM343CK-DG,助力20kW光伏逆变器驱动设计,具有以下几点优势:

  1、最大峰值驱动电流能力达4A,针对Boost两并联的IGBT驱动,具有足够的驱动能力;

  2、相比光耦隔离器件,容耦隔离性能不会受时间、温度和电源而衰减,隔离电压高达5kV浪涌隔离电压高达10K;

  3、灌电流高达6A,针对IGBT的拖尾问题,SLM343加强了灌电流的能力,减少了拖尾时间,降低关断损耗;

  4、最大30V的负压,防止极端恶劣工作环境下,不会轻易被击穿,输入端抗负压能力更强;

  5、输出端电压可高达40V,防止由于启动时候的,由于电源电压过冲而损坏驱动器,隔离电压高达5kV;

  6、高共模瞬态抑制CMTI可高达150kV/us,具有更强的抗干扰性,可提高了整体产品的可靠性;

  7、工作温度更宽,-40°C至+150°C,保证产品的稳定性,适合更高或者更低温度的工作场景;

  8、具有更好的动态特性,传播延迟最大120ns、延迟匹配最大25ns、脉冲宽度失线ns,延时和失真都明显小,可以减少死区时间,提高产品的性能。

  技术资料,数据手册,3D模型库,原理图,PCB封装文件,选型指南来源平台:世强硬创平台

  现货商城,价格查询,交期查询,订货,现货采购,在线购买,样品申请渠道:世强硬创平台电子商城

  概念,方案,设计,选型,BOM优化,FAE技术支持,样品,加工定制,测试,量产供应服务提供:世强硬创平台

  集成电路,电子元件,电子材料,电气自动化,电机,仪器全品类供应:世强硬创平台

  本文由陌吠提供,版权归世强硬创平台所有,非经授权,任何媒体、网站或个人不得转载,授权转载时须注明“来源:世强硬创平台”。

  小功率逆变器功率器件多采用IGBT单管,在高频开通关断时过程中,母线上几百上千伏的高压会通过驱动的高压侧耦合到低压PWM控制侧,造成低压控制侧器件损坏,为了保证控制器安全可靠的工作,驱动设计时必须要选带隔离的驱动芯片,其隔离电压要满足工业标准要求,单通道光兼容隔离式栅极驱动器SLM343CK-DG非常适用于三相小功率逆变器,一般功率都在20KW以内。

  UPS不间断电源项目,母线到电池BUCK-BOOST电路部分的IGBT之前通常会选用传统光耦驱动器进行隔离并驱动;推荐数明半导体采用容隔离技术的光耦兼容型隔离驱动器SLM340CK-DG,输入控制采用电流控制的策略。

  某客户设计一款小功率伺服控制器,在制动和逆变部分采用IGBT单管搭建,通过栅在栅极驱动部分,目前行业内有光耦、隔离驱动等多种方案。本文推荐数明半导体SLM345,SLM345是一款光兼容、单通道、隔离栅驱动器。

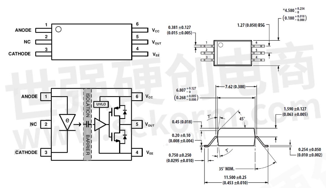
  SLM34x系列是上海数明半导体发布的、国内首款兼容光耦的隔离驱动芯片。封装采用Stretched SO6,保证8.5mm的爬电/间隙距离,最大峰值驱动电流能力达4A,采用业界领先的双电容隔离技术和“OOK”传输技术,可pin-pin 替代国外品牌的光耦隔离驱动。

  SLM34x系列光耦合单通道隔离栅极驱动器是一款具有不同驱动电流能力和欠压锁定电压级别的光耦合单通道MOSFET、IGBT栅极驱动器。该系列产品提供从1.0A到4.0A的峰值输出电流,其高性能和可靠性使其适用于各种电机驱动、太阳能逆变器、工业电源和家电。

  SiLM534xAT是一款单通道光耦兼容隔离栅极驱动器,适用于MOSFET和IGBT。它具有1.0A至4.0A的峰值输出电流能力,并支持宽范围的栅极驱动电源电压(10V至40V)。该产品具备高共模瞬态免疫性、低传播延迟和小脉冲宽度失真等特点,适用于各种电机驱动、太阳能逆变器、工业电源和家用电器。

  本文就大电流型隔离驱动类光耦举例说明,将数明SLMI350DB-DG 与友商东芝 TLP350(11-10C4S)两者型号的各项参数作下比较,以方便大家对其有更加深刻的理解。

  隔离驱动,具有高可靠性及广泛兼容性的门极驱动芯片,广泛的兼容性,更高的驱动能力,更强的鲁棒性,更宽的工作温度范围

  SLM34xC系列隔离栅极驱动器是一款光耦合兼容的单通道隔离MOSFET和IGBT栅极驱动器,具有不同的驱动电流能力和UVLO电压级别。该系列产品在保持与标准光电耦合器隔离栅极驱动器引脚到引脚兼容性的同时,提供了高共模瞬态免疫(CMTI)、低传播延迟和小脉冲宽度失真等性能提升。

  SLM34x系列隔离栅极驱动器是一款光耦合型单通道隔离MOSFET、IGBT栅极驱动器,具有不同的驱动电流能力和欠压锁定电压级别。该系列产品提供从1.0A到4.0A的峰值输出电流,在保持与标准光电耦合器隔离栅极驱动器的引脚兼容性的同时,提升了性能和可靠性。

  SLMi330是一款高级光耦合单通道隔离型IGBT栅极驱动器,具有主动保护功能,如失饱和检测、欠压锁定、隔离故障感应和主动米勒钳位。该器件提供1.5A峰值输出电流,并具备自动故障重置功能。输入侧供电范围为3V至18V,输出侧供电范围从14V到40V。

  CQ9电子官方网站 CQ9平台

  SLMi330是一款高级光耦合单通道隔离IGBT栅极驱动器,具有主动保护功能,包括失饱和检测、欠压锁定、隔离故障感应和主动米勒钳位。该产品提供1.5A峰值输出电流,并具备自动故障重置功能。输入侧供电范围为3V至18V,输出侧供电范围从14V到40V。

  SLMi330是一款高级光耦合单通道隔离IGTB栅极驱动器,具有主动保护功能,如失饱和检测、欠压锁定、隔离故障感应和主动米勒钳位。该产品提供1.5A峰值输出电流,并具备自动故障重置功能。输入侧供电范围为3V至18V,输出侧供电范围从14V到40V。

  SLMi335是一款高级光耦合单通道隔离栅极驱动器,适用于SiC/IGBT。它具有主动保护功能,包括失饱和检测、欠压锁定、隔离故障感应和主动米勒钳位。该器件提供4A峰值输出电流,并具备自动故障重置功能。输入侧供电范围为3V至18V,输出侧供电范围从14V到40V。

  SLMi335是一款适用于SiC/IGBT的单通道光耦隔离栅极驱动器,具备主动保护功能。它提供4A峰值输出电流,具有过温检测、欠压锁定、隔离故障感应和主动米勒钳位等功能。输入侧供电范围为3V至18V,输出侧供电范围从14V到40V。该产品广泛应用于交流电机驱动、无刷直流电机驱动和可再生能源逆变器等领域。

  SLMi335是一款高级光耦合单通道隔离栅极驱动器,适用于SiC/IGBT。它具有主动保护功能,如失饱和检测、欠压锁定、隔离故障感应和主动米勒钳位。该产品提供4A峰值输出电流,并具备自动故障重置功能。

  支持小批量采购,最低1PCS起订,快速发货,工作日1小时内专属客服响应。

  请提交您需要申请的样品型号、品牌、数量、项目信息,样品需求由原厂审核正品保证,世强会努力协助您获批。 申请结果将在一个工作日内通过世强硬创954668电话、@sekorm邮件给您反馈,请保持通畅。

  请提交您需要查询的产品型号、厂牌、数量等信息,世强提供大批量采购在线报价服务。一个工作日内客服通过世强硬创954668电话、@sekorm邮件给您反馈,请保持畅通。

  支持小批量采购,最低1PCS起订,快速发货,工作日1小时内专属客服响应。

  请提交您需要申请的样品型号、品牌、数量、项目信息,样品需求由原厂审核正品保证,世强会努力协助您获批。 申请结果将在一个工作日内通过世强硬创954668电话、@sekorm邮件给您反馈,请保持通畅。

  请提交您需要查询的产品型号、厂牌、数量等信息,世强提供大批量采购在线报价服务。一个工作日内客服通过世强硬创954668电话、@sekorm邮件给您反馈,请保持畅通。

  支持小批量采购,最低1PCS起订,快速发货,工作日1小时内专属客服响应。

  请提交您需要申请的样品型号、品牌、数量、项目信息,样品需求由原厂审核正品保证,世强会努力协助您获批。 申请结果将在一个工作日内通过世强硬创954668电话、@sekorm邮件给您反馈,请保持通畅。

  请提交您需要查询的产品型号、厂牌、数量等信息,世强提供大批量采购在线报价服务。一个工作日内客服通过世强硬创954668电话、@sekorm邮件给您反馈,请保持畅通。

  支持小批量采购,最低1PCS起订,快速发货,工作日1小时内专属客服响应。

  请提交您需要申请的样品型号、品牌、数量、项目信息,样品需求由原厂审核正品保证,世强会努力协助您获批。 申请结果将在一个工作日内通过世强硬创954668电话、@sekorm邮件给您反馈,请保持通畅。

  请提交您需要查询的产品型号、厂牌、数量等信息,世强提供大批量采购在线报价服务。一个工作日内客服通过世强硬创954668电话、@sekorm邮件给您反馈,请保持畅通。

  支持小批量采购,最低1PCS起订,快速发货,工作日1小时内专属客服响应。

  请提交您需要申请的样品型号、品牌、数量、项目信息,样品需求由原厂审核正品保证,世强会努力协助您获批。 申请结果将在一个工作日内通过世强硬创954668电话、@sekorm邮件给您反馈,请保持通畅。

  请提交您需要查询的产品型号、厂牌、数量等信息,世强提供大批量采购在线报价服务。一个工作日内客服通过世强硬创954668电话、@sekorm邮件给您反馈,请保持畅通。

  请提交您需要申请的样品型号、品牌、数量、项目信息,样品需求由原厂审核正品保证,世强会努力协助您获批。 申请结果将在一个工作日内通过世强硬创954668电话、@sekorm邮件给您反馈,请保持通畅。

  请提交您需要查询的产品型号、厂牌、数量等信息,世强提供大批量采购在线报价服务。一个工作日内客服通过世强硬创954668电话、@sekorm邮件给您反馈,请保持畅通。

  根据您的项目以及所需型号、厂牌、数量等信息,世强客服在1个工作日内响应,提供在线回复交期服务。

  支持小批量采购,最低1PCS起订,快速发货,工作日1小时内专属客服响应。

  请提交您需要申请的样品型号、品牌、数量、项目信息,样品需求由原厂审核正品保证,世强会努力协助您获批。 申请结果将在一个工作日内通过世强硬创954668电话、@sekorm邮件给您反馈,请保持通畅。

  请提交您需要查询的产品型号、厂牌、数量等信息,世强提供大批量采购在线报价服务。一个工作日内客服通过世强硬创954668电话、@sekorm邮件给您反馈,请保持畅通。

  支持小批量采购,最低1PCS起订,快速发货,工作日1小时内专属客服响应。

  请提交您需要申请的样品型号、品牌、数量、项目信息,样品需求由原厂审核正品保证,世强会努力协助您获批。 申请结果将在一个工作日内通过世强硬创954668电话、@sekorm邮件给您反馈,请保持通畅。

  请提交您需要查询的产品型号、厂牌、数量等信息,世强提供大批量采购在线报价服务。一个工作日内客服通过世强硬创954668电话、@sekorm邮件给您反馈,请保持畅通。

  支持小批量采购,最低1PCS起订,快速发货,工作日1小时内专属客服响应。

  请提交您需要申请的样品型号、品牌、数量、项目信息,样品需求由原厂审核正品保证,世强会努力协助您获批。 申请结果将在一个工作日内通过世强硬创954668电话、@sekorm邮件给您反馈,请保持通畅。

  请提交您需要查询的产品型号、厂牌、数量等信息,世强提供大批量采购在线报价服务。一个工作日内客服通过世强硬创954668电话、@sekorm邮件给您反馈,请保持畅通。

  支持小批量采购,最低1PCS起订,快速发货,工作日1小时内专属客服响应。

  请提交您需要申请的样品型号、品牌、数量、项目信息,样品需求由原厂审核正品保证,世强会努力协助您获批。 申请结果将在一个工作日内通过世强硬创954668电话、@sekorm邮件给您反馈,请保持通畅。

  请提交您需要查询的产品型号、厂牌、数量等信息,世强提供大批量采购在线报价服务。一个工作日内客服通过世强硬创954668电话、@sekorm邮件给您反馈,请保持畅通。

  根据您的项目以及所需型号、厂牌、数量等信息,世强客服在1个工作日内响应,提供在线回复交期服务。

  支持小批量采购,最低1PCS起订,快速发货,工作日1小时内专属客服响应。

  可定制变压器电压最高4.5KV,高频30MHz;支持平面变压器、平板变压器、OBC变压器、DCDC变压器、PLC信号变压器、3D电源、电流变压器、反激变压器、直流直流变压器、车载充电器变压器、门极驱动变压器等产品定制。

  测试范围:扬兴晶振全系列晶体,通过对晶体回路匹配分析,调整频率、驱动功率和起振能力,解决频偏、不起振、干扰、频率错误等问题。技术专家免费分析,测完如有问题,会进一步晶振烧录/修改电路。

  可定制变压器电压最高4.5KV,高频30MHz;支持平面变压器、平板变压器、OBC变压器、DCDC变压器、PLC信号变压器、3D电源、电流变压器、反激变压器、直流直流变压器、车载充电器变压器、门极驱动变压器等产品定制。

  测试范围:扬兴晶振全系列晶体,通过对晶体回路匹配分析,调整频率、驱动功率和起振能力,解决频偏、不起振、干扰、频率错误等问题。技术专家免费分析,测完如有问题,会进一步晶振烧录/修改电路。

推荐新闻

关注官方微信