CQ9(电子中国)官方网站-科技领航者

泰克助力高效功率器件评估深度解析功率半导体双脉冲测试_CQ9电子中国官方网站
CQ9电子中国官方网站-功率器件制造专家,高新技术企业,服务全球市场。

泰克助力高效功率器件评估深度解析功率半导体双脉冲测试

作者:小编    发布时间:2026-04-12 07:27:38    浏览量:

  (DPT)作为一种关键的测试方法,为功率器件的动态行为评估提供了精准的手段。本文将深入解析

泰克助力高效功率器件评估深度解析功率半导体双脉冲测试(图1)

  在设计功率转换器时,理想状态是功率损耗为零,但现实中开关损耗不可避免。传统的硅基转换器效率约为87%至90%,这意味着10%至13%的输入功率以废热形式耗散,其中大部分损耗发生在MOSFET或IGBT等开关器件中。因此,精确测量这些器件的开关参数对于优化设计、提升效率至关重要。

  双脉冲测试是测量MOSFET或IGBT开关参数的首选方法,被广泛应用于JEDEC和IEC标准中,如JEP182、JESD24-10、IEC 60747-9等。该测试方法能够在受控的电压、电流和温度条件下,通过脉冲限制被测器件(DUT)的自发热并保持稳定的结温,从而准确测量开关参数。

泰克助力高效功率器件评估深度解析功率半导体双脉冲测试(图2)

  CQ9电子官方网站 CQ9平台

  ●导通参数:包括导通延迟时间td(on)、VDS下降时间tf、导通时间ton、最大漏极电流ID、dv/dt、di/dt、导通能量Eon和动态导通电阻RDS(on)。

  ●关断参数:包括关断延迟时间td(off)、VDS上升时间tr、关断时间toff、最大漏源电压VDSM、dv/dt、di/dt、关断能量Eoff和输出电荷Qoss。

  ●反向恢复参数:包括反向恢复时间tr、反向恢复电流Ir、反向恢复电荷Qrr、反向恢复能量Err和正向导通电压VSD。

泰克助力高效功率器件评估深度解析功率半导体双脉冲测试(图3)

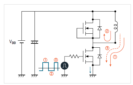
  典型的双脉冲测试电路如图1所示,通过高侧和低侧FET的配置,实现对功率器件的精确测量。

  1)建立目标测试电流,调整第一个脉冲的宽度以通过负载电感提供所需的测试电流。

  2)第一个脉冲的关断及测量,此时 Id已达到目标测试电流,并在功率器件关断时降至零。测量关断延迟(td(off))、下降时间( tf)、关断时间( toff)、关断能量(Eoff)、dv/dt 和di/dt。负载电流从负载电感流经续流二极管。关断时间保持较短以将负载电流维持在目标Id。

  3)第二个脉冲的导通及测量,在此阶段进行导通测量,目标Id开始重新流入功率器件。导通期间的电流过冲是由于续流二极管反向恢复时的暂时过量电流。第二个脉冲宽度仅保持足够长以确保稳定测量,同时避免过热。

泰克助力高效功率器件评估深度解析功率半导体双脉冲测试(图4)

  图4 双脉冲测试波形。顶部波形显示施加到栅极或栅极驱动器的信号。底部信号是对应的漏极电流(Ic)和漏源电压(VDS)。测量在第1和第2阶段以及第2和第3阶段之间的过渡处进行

  泰克科技提供全面的仪器、探头和软件,以满足双脉冲测试的需求。典型的仪器配置包括:

  ●信号源:提供栅极驱动信号,通常使用任意/函数发生器(AFG),如AFG31000系列或内置在示波器中的AFG。

  ●直流电源:提供足够的漏极电压和电流,如EA–PSI 10000可编程电源或Keithley 2657A高压源测量单元。

  ●多通道数字示波器:用于采集和测量VDS、VGS和ID,如泰克5系列B MSO, 4 系列B MSO 和6 系列B MSO 操作相同,只是规格不同。

  ●示波器探头:探头选择对获得有效结果至关重要,泰克科技提供多种探头以满足不同测试需求。

  ●双脉冲测试应用软件:如4、5和6系列B MSO的双脉冲测试软件Opt. WBG-DPT,有助于进行可重复的测量。

  泰克科技的双脉冲测试解决方案具有显著优势。其自动化测量功能相比手动测试方法,能够显著提高测量效率和准确性。此外,泰克科技还提供详细的双脉冲测试示例详解,包括导通能量与关断能量计算方法、反向恢复能量损耗计算公式等。

  CQ9电子平台 CQ9电子在线官网

泰克助力高效功率器件评估深度解析功率半导体双脉冲测试(图5)

  《SiC功率器件:特性、测试和应用技术》第二版即将重磅发布,其作者高远先生作为泰克科技的资深行业专家,凭借多年在碳化硅器件测试与表征领域的深厚积累,为本书注入了极具价值的专业内容。此次新书不仅对SiC功率器件的特性、测试和应用技术进行了全面而深入的剖析,更在第5章中由泰克科技详细阐述了双脉冲测试技术的关键要素,涵盖基本原理、参数设定、测试平台搭建、测量仪器及设备选型等多方面内容。书中还深入探讨了电压测量点间寄生参数的影响,并针对不同测试场景提出了动态特性测试结果的评判标准与双脉冲测试设备的选型要点,极具实用价值。

  随着国产碳化硅产业的蓬勃发展,此次第二版的更新,无疑为工程师和科研工作者提供了与时俱进的行业动态与技术指引。此外,本书的英文版也将在7月与全球读者见面,进一步扩大其在国际领域的影响力,助力全球碳化硅技术的交流与发展。

  双脉冲测试是功率半导体器件测试的关键技术,泰克科技凭借其先进的仪器和软件,为工程师提供了强大的测试支持。高远先生的新书《SiC功率器件:特性、测试和应用技术》进一步深化了对SiC器件测试技术的理解,为行业的发展提供了宝贵的参考。

推荐新闻

关注官方微信